![]() |
![]() |
![]() |
§
84. Выносные элементы
При
выполнении чертежей в некоторых случаях появляется необходимость в построении
дополнительного отдельного изображения какой-либо части предмета, требующей
пояснений в отношении формы, размеров или других данных. Такое изображение называется
выносным элементом. Его выполняют обычно увеличенным. Выносной элемент
может быть выложен как вид или как разрез.

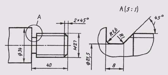
Рис.
191
При
построении выносного элемента соответствующее место основного изображения отмечают
замкнутой сплошной тонкой линией, обычно овалом или окружностью, и обозначают
заглавной буквой русского алфавита на полке линии-выноски. У выносного элемента
делается запись по типу А (5 : 1). На рис. 191 приведен пример выполнения выносного
элемента. Его располагают возможно ближе к соответствующему месту на изображении
предмета.
![]() |
![]() |
![]() |